×
FORD
▼Легкові
Вантажні
Мотоцикли
ACURA
ALFA ROMEO
AUDI
BMW
CHERY
CHEVROLET
CHRYSLER
CITROËN
DACIA
DAEWOO
DAF
FIAT
FORD
GEELY
HONDA
HUMMER
HYUNDAI
ISUZU
IVECO
JAGUAR
JEEP
KIA
LANCIA
LAND ROVER
LEXUS
MAZDA
MERCEDES-BENZ
MINI
MITSUBISHI
NISSAN
OPEL
PEUGEOT
PORSCHE
RENAULT
RENAULT TRUCKS
ROLLS-ROYCE
ROVER
SAAB
SEAT
SKODA
SMART
SSANGYONG
SUBARU
SUZUKI
TESLA
TOYOTA
VAUXHALL
VOLVO
VW
ZAZ
ALPINA
ASTON MARTIN
BAW
BENTLEY
BUGATTI
BUICK
BYD
CADILLAC
CHANGAN
CHANGFENG
DAIHATSU
DODGE
FAW
FERRARI
GAZ
GMC
GREAT WALL
HAFEI
LADA
LDV
LIFAN
MASERATI
MG
PONTIAC
TATA
TRANSIT
▼Рік▼
TDCi
▼
Мій гараж
Додати в гараж
Мій гараж
Empty
Гальмівний барабан, FORD TRANSIT, TDCi
- FORD
- TRANSIT
- 2.4 TDCi
- Гальмівна система
- Барабанні гальма
- Гальмівний барабан
Фільтри
Виробник
Сортувати за:
Найменшою ціною
▼
Найменшою ціною
Терміну доставки
Наявності
Рейтингу
Товарів: 141
Гальмівний барабан
Гальмівний барабан
Сторона монтажу:
Задня вісь
Діаметр барабана:
280
Макс. розмір розточування гальмівного барабана:
282 мм
Внутрішня висота гальмівного барабана:
73 мм
Видима висота гальмівного барабана:
105 мм
Кількість отворів:
6
Діаметр центрування:
118 мм
Ø окружності центрів отворів:
180 мм
Без підшипника колеса
Діаметр гальмівного барабана всередині:
280 мм
Гальмівний барабан
Гальмівний барабан
Сторона монтажу:
Задня вісь
Діаметр барабана:
280
Діаметр гальмівного барабана зовні:
314,8 мм
Внутрішня висота гальмівного барабана:
75,5 мм
Видима висота гальмівного барабана:
132,5 мм
Кількість отворів:
6
Діаметр центрування:
142 мм
Ø окружності центрів отворів:
142 мм
Без підшипника колеса
Діаметр гальмівного барабана всередині:
280 мм
Кількість отворів 1:
6
Гальмівний барабан
Гальмівний барабан
Гальмівний барабан задн. Transit 03-06
Кількість отворів у диску:
5
Висота:
105 мм
Вага:
12 кг
Діаметр гальмівного барабана зовні:
314 мм
Внутрішня висота гальмівного барабана:
80,5 мм
Видима висота гальмівного барабана:
105 мм
Ø окружності центрів отворів:
160 мм
Діаметр маточини:
118 мм
Діаметр гальмівного барабана всередині:
280 мм
Діаметр маточини 1:
118 мм
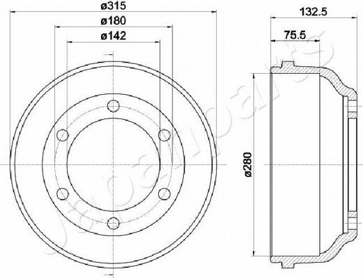
Гальмівний барабан
Гальмівний барабан
Кількість отворів у диску:
6
Висота:
132.5 мм
Вага:
13.36 кг
Діаметр гальмівного барабана зовні:
315 мм
Внутрішня висота гальмівного барабана:
75,5 мм
Видима висота гальмівного барабана:
133 мм
Ø окружності центрів отворів:
180 мм
Діаметр маточини:
142 мм
Діаметр гальмівного барабана всередині:
280 мм
Діаметр маточини 1:
142 мм
Гальмівний барабан
Гальмівний барабан
Діаметр гальмівного барабана зовні:
318 мм
Внутрішня висота гальмівного барабана:
80,5 мм
Видима висота гальмівного барабана:
105 мм
Кількість отворів:
5
Діаметр центрування:
118 мм
Ø окружності центрів отворів:
160 мм
Діаметр гальмівного барабана всередині:
280 мм
Ø отвору колісного болта:
15,6 мм
Гальмівний барабан
Гальмівний барабан
Діаметр гальмівного барабана зовні:
315 мм
Внутрішня висота гальмівного барабана:
75 мм
Видима висота гальмівного барабана:
132,5 мм
Кількість отворів:
6
Діаметр центрування:
142,1 мм
Ø окружності центрів отворів:
180 мм
Діаметр гальмівного барабана всередині:
280 мм
Гальмівний барабан
Гальмівний барабан
Діаметр барабана:
280
Діаметр гальмівного барабана зовні:
319 мм
Внутрішня висота гальмівного барабана:
80 мм
Видима висота гальмівного барабана:
105 мм
Зовнішній діаметр:
319 мм
Кількість отворів:
5
Діаметр гальмівного барабана всередині:
280 мм
Макс. Ø гальм. барабана всередині:
281 мм
Гальмівний барабан
Гальмівний барабан
Діаметр барабана:
280
Діаметр гальмівного барабана зовні:
320 мм
Внутрішня висота гальмівного барабана:
75 мм
Видима висота гальмівного барабана:
133 мм
Зовнішній діаметр:
320 мм
Кількість отворів:
6
Діаметр гальмівного барабана всередині:
280 мм
Макс. Ø гальм. барабана всередині:
281 мм
Гальмівний барабан
Гальмівний барабан
Діаметр барабана:
280
Діаметр гальмівного барабана зовні:
319 мм
Внутрішня висота гальмівного барабана:
80 мм
Видима висота гальмівного барабана:
105 мм
Зовнішній діаметр:
319 мм
Кількість отворів:
5
Без підшипника колеса
Діаметр гальмівного барабана всередині:
280 мм
Макс. Ø гальм. барабана всередині:
281 мм
Гальмівний барабан
Гальмівний барабан
Діаметр барабана:
280
Діаметр гальмівного барабана зовні:
320 мм
Внутрішня висота гальмівного барабана:
75 мм
Видима висота гальмівного барабана:
133 мм
Зовнішній діаметр:
320 мм
Кількість отворів:
6
Без підшипника колеса
Діаметр гальмівного барабана всередині:
280 мм
Макс. Ø гальм. барабана всередині:
281 мм
Гальмівний барабан
Гальмівний барабан
Сторона монтажу:
Задня вісь
Ø отвору:
142,1 мм
Діаметр гальмівного барабана зовні:
314,8 мм
Макс. розмір розточування гальмівного барабана:
282 мм
Внутрішня висота гальмівного барабана:
75,5 мм
Видима висота гальмівного барабана:
132,5 мм
Кількість отворів:
6
Діаметр центрування:
142 мм
Ø окружності центрів отворів:
180 мм
Поверхня:
з лакованим покриттям
Діаметр гальмівного барабана всередині:
280 мм
Гальмівний барабан
Гальмівний барабан
Ø отвору:
15,5 мм
Діаметр барабана:
280
Діаметр гальмівного барабана зовні:
315 мм
Макс. розмір розточування гальмівного барабана:
282 мм
Внутрішня висота гальмівного барабана:
75,5 мм
Видима висота гальмівного барабана:
132,5 мм
Кількість отворів:
6
Ø окружності центрів отворів:
180 мм
Діаметр фіксатора:
142 мм
Діаметр гальмівного барабана всередині:
280 мм
Наявний код MAPP.
Гальмівний барабан
Гальмівний барабан
Ø отвору:
15,5 мм
Діаметр барабана:
280
Діаметр гальмівного барабана зовні:
314 мм
Макс. розмір розточування гальмівного барабана:
282 мм
Внутрішня висота гальмівного барабана:
80,5 мм
Видима висота гальмівного барабана:
105 мм
Кількість отворів:
5
Ø окружності центрів отворів:
160 мм
Діаметр фіксатора:
118 мм
Діаметр гальмівного барабана всередині:
280 мм
Наявний код MAPP.
Гальмівний барабан
Гальмівний барабан
Вага:
12.4 кг
Діаметр барабана:
280
Діаметр гальмівного барабана зовні:
318 мм
Макс. розмір розточування гальмівного барабана:
282 мм
Внутрішня висота гальмівного барабана:
78,1 мм
Видима висота гальмівного барабана:
104,6 мм
Схема розточування / кількість отворів:
05/08
Діаметр центрування:
118 мм
Ø окружності центрів отворів:
160 мм
Без маточини колеса
Без підшипника колеса
Без болтів для кріплення коліс
Діаметр гальмівного барабана всередині:
280 мм
Ø отвору колісного болта:
15,6 мм
Довжина паковання:
36,3 см
Ширина паковання:
35,9 см
Висота паковання:
12,1 см
Гальмівний барабан
Гальмівний барабан
Вага:
13.6 кг
Діаметр барабана:
280
Діаметр гальмівного барабана зовні:
315 мм
Макс. розмір розточування гальмівного барабана:
282 мм
Внутрішня висота гальмівного барабана:
75,5 мм
Видима висота гальмівного барабана:
132,5 мм
Схема розточування / кількість отворів:
06/06
Діаметр центрування:
142,1 мм
Ø окружності центрів отворів:
180 мм
Без маточини колеса
Без підшипника колеса
Без болтів для кріплення коліс
Діаметр гальмівного барабана всередині:
280 мм
Ø отвору колісного болта:
15,6 мм
Довжина паковання:
32 см
Ширина паковання:
32 см
Висота паковання:
13,5 см
Гальмівний барабан
Гальмівний барабан
Кількість отворів у диску:
5
Сторона монтажу:
Задня вісь
Товщина:
105 мм
Діаметр:
314 мм
Ширина:
80.3 мм
Вага:
12.35 кг
Макс. розмір розточування гальмівного барабана:
282 мм
Внутрішній діаметр:
280 мм
Зовнішній діаметр:
314,4 мм
Кількість отворів:
5
Діаметр центрування:
118 мм
Ø окружності центрів отворів:
160 мм
Кількість кріпильних отворів:
5
Гальмівний барабан
Гальмівний барабан
Діаметр:
281 мм
Ширина:
80 мм
Діаметр барабана:
280
Діаметр гальмівного барабана зовні:
319 мм
Внутрішня висота гальмівного барабана:
80 мм
Схема розточування / кількість отворів:
5H
Зовнішній діаметр:
319 мм
Кількість отворів:
5
Габаритна висота:
105 мм
Діаметр гальмівного барабана всередині:
280 мм
Гальмівний барабан
Гальмівний барабан
Діаметр:
281 мм
Ширина:
75 мм
Діаметр барабана:
280
Діаметр гальмівного барабана зовні:
320 мм
Внутрішня висота гальмівного барабана:
75 мм
Схема розточування / кількість отворів:
6H
Зовнішній діаметр:
320 мм
Кількість отворів:
6
Габаритна висота:
133 мм
Діаметр гальмівного барабана всередині:
280 мм
Гальмівний барабан
Гальмівний барабан
Сторона монтажу:
Задня вісь
Діаметр гальмівного барабана зовні:
315 мм
Внутрішня висота гальмівного барабана:
75 мм
Видима висота гальмівного барабана:
132.5 мм
Кількість отворів:
6
Діаметр центрування:
142 мм
Ø окружності центрів отворів:
180 мм
Діаметр гальмівного барабана всередині:
280 мм
